* Соответствует стандарту GJB2889
* Форма торцевого соединения - сварка или уплотнение
* Быстрое соединение с помощью пряжки
* Широко используется в окружающей среде
Основные технические характеристики:
1.【Физические характеристики】
1) Обычный негерметичный и герметичный через стенку тип
—— Корпус: высокопрочный алюминиевый сплав
—— Покрытие корпуса:
экранирующее покрытие: пассивация Army Green, химическое никелирование
Неэкранирующее покрытие: черная положительная поляризация
—— Изолятор: термопластичные материалы
—— Уплотнительный круг: силиконовая резина
—— Контактор: медный сплав с золотым покрытием
—— Срок службы: вилка 1000 раз
2) Герметичная розетка из квадратной спеченной стекловолоконной пластины
—— Корпус: углеродистая сталь
—— Покрытие корпуса: гальваническое никелирование
—— Изолятор: стекло
——Контактор: ферросплавное золотое покрытие или никелевое покрытие
——Срок службы: 1000 подключений
2.【Электрические характеристики】
——Сопротивление контакта и номинальный ток
| Технические характеристики мм | НЕгерметичный Контактное сопротивление | Сопротивление контакта через герметичную стену | квадратная пластина герметичная контактное сопротивление | номинальный ток А |
| φ1.0 | ≤5мОм | ≤10мОм | ≤15мОм | 5 |
| φ1.5 | ≤2,5 мОм | ≤5мОм | ≤7,5 мОм | 10 |
| Ф2.0 | ≤1,25 мОм | ≤2,5 мОм | ≤3,.75мОм | 20 |
| Ф3.0 | ≤0,75 мОм | ≤1,5 мОм | ≤2,25 мОм | 40 |
——Номинальное напряжение и сопротивление напряжению
| Операционная среда | Герметичный электрический разъем | НЕгерметичный электрический разъем | ||
| Номинальное напряжение | сопротивление напряжению | Номинальное напряжение | сопротивление напряжению | |
| комнатная температура | 500В | 1500В | 500В | 1500В |
| Влажная и жаркая среда | 500В | 750В | 500В | 1125В |
| Низкое давление (1кПа) | 150В | 300В | 250В | 300В |
——Сопротивление изоляции: МОм
| Уровень приложения | стандартный | Высокая температура | Мокро и горячо |
| Сопротивление изоляции | ≥5000 | ≥1000 | ≥100 |
3.【Характеристики окружающей среды】
——Рабочая температура: -55~200℃
——Относительная влажность: 95%,40±2℃
——Высота: 30000 м ——Синусоидальная
вибрация: 10-2000 Гц, 20 г
——Постоянное ускорение: 100 г
——Ударное ускорение: 100 г
4.【Другие характеристики】
Влагостойкость, устойчивость к соляному туману, плесени, дождю, пыли
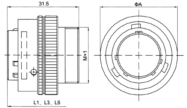
Розетка

