--относительная влажность: 90% -98%, температура 40 ± 2℃
--рабочее давление: 101,33 кПа~6,67 кПа
--герметично: 0,3 МПа
【Электрические характеристики】
Характеристики контактов
| Диаметр штифта (мм) | 0,8 | 1 |
| Рабочий ток (А) | 2 | 5 |
| Контактное сопротивление (мОм) | ≤10 | ≤5 |
--Изоляция
| Стандартное давление | Влажная среда | Высокая температура |
| ≥500МОм | ≥20МОм | ≥100МОм |
--сопротивление напряжению
| Стандартное давление | низкое давление |
| переменный ток 500 среднеквадратичного значения | Переменный ток 200rms |

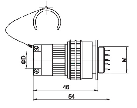
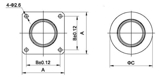
РОЗЕТКА Y3

