Ваш источник качественной продукции

Инновации, ведущие к передовым технологиям

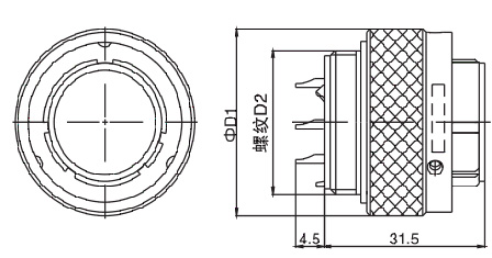
ЭЛЕКТРИЧЕСКИЙ РАЗЪЕМ

ЭЛЕКТРИЧЕСКИЕ СОЕДИНИТЕЛИ YMG
ЭЛЕКТРИЧЕСКИЕ СОЕДИНИТЕЛИ YMG

ЭЛЕКТРИЧЕСКИЕ СОЕДИНИТЕЛИ YMG

* Быстрое соединение с пряжкой
* Вилка, гнездо для штифтов и отверстий
* Форма торцевого соединения - сварка
* Пять ключей имеют функцию слепой вставки
* Герметичность от дождя, устойчивость к коррозии
 
Основные технические характеристики:
Физические характеристики
-- Корпус : Пассивация нержавеющей стали, химическое никелирование меди,
химический никель алюминия
-- Изолятор : Термопластичные материалы
-- Герметичное гнездо : Силиконовая резина
-- Контактор : Позолота из медного сплава
-- Синусоидальная вибрация : 20 г, 10-2000 Гц
-- Ускорение : 100 г
-- Ударное ускорение: 100 г
-- Срок службы : Вилка 1000 раз
Характеристики окружающей среды
-- Рабочая температура : -55 ℃ ~ 200 ℃
-- Относительная влажность: 95% , 60 ℃
-- соль Защита от тумана: нержавеющая сталь 1000 ч; медный сплав 500 ч; алюминиевый сплав 48 ч
— защита от плесени, дождя, пыли
Электрические характеристики
Контактное сопротивление и номинальный ток

Характеристики контактов (мм)Контактное сопротивление (мОм)Номинальный ток
(А)
Внутренний диаметр сварочного ствола (мм)
φ0,635251Ф0,7
φ1.055Ф1.2
φ1.52.510Ф1,8
φ2.01.2520Ф2.5
Ф3.00,7540φ3.0

 

 


















Номинальное напряжение и сопротивление напряжению, сопротивление изоляции
 

Рабочее состояниеНоминальное напряжение Всопротивление напряжения ВСопротивление изоляции МОм
Комнатная температура5001500≥5000
жарко и влажно5001125≥100
Низкое давление
(1кПа)
250300——



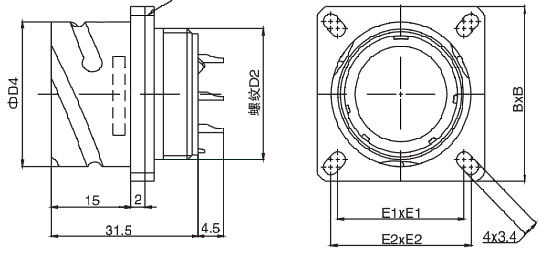
РОЗЕТКА
 Электрические разъемы YMG

Электрические разъемы YMG
Электрические разъемы YMG
Электрические разъемы YMG
Электрические разъемы YMGЭлектрические разъемы YMG


Circuitos integrados

a nossa empresa respeita sempre a qualidade excelente dos componentes electrónicos e põe fim a todos os produtos falsificados e de má qualidade