This product is an inertial angle rate sensor based on the optical Sagnac effect for measuring the rotational angular velocity of the carrier along the sensitive axis. The digital closed-loop detection circuit is used to extract the optical path difference of the clockwise light caused by the external physical angular speed, and the voltage signal of the optical path signal is modulated and demodulation, and the closed loop feedback and control are realized to achieve the purpose of real-time angular velocity signal detection.
Function: This product consists of two parts: optical angular velocity sensitive unit and signal detection, providing uniaxial angle increment information and internal temperature information.
Application scope: The products are mainly suitable for photoelectric crane / crane / flying platform / inertial navigation / inertial measurement system / optical / photographic instrument / platform stabilization device / inertial measurement instrument and other applications.
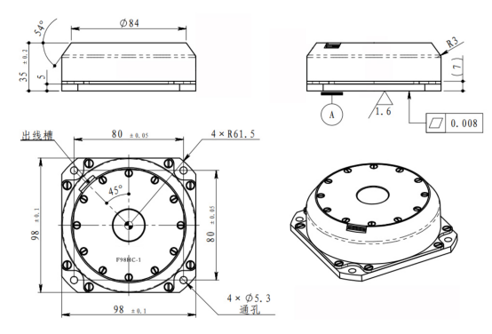
Installation size
ain performance parameters
| Sn# | Test item | H | L | 备注 |
| 1 | Dimensions (mm) | 98×98×35 | 98×98×35 | |
| 2 | start time (s) | ≤5 | ≤5 | |
| 3 | Bias drift (°) / h (10s smooth, fix temperature) | ≤0.015 | ≤0.03 | |
| 4 | Bias drift (°) / h (10s smooth) -45~ + 70 | ≤0.03 | ≤0.06 | |
| 5 | Bias repeatability (°) / h | ≤0.005 | ≤0.01 | |
| 6 | Random walk coefficient(o)/h1/2 | ≤0.001 | ≤0.002 | |
| 7 | Scale factor non-linearity (ppm) | ≤10 | ≤20 | |
| 8 | Scale factor repeatability (ppm) | ≤10 | ≤20 | |
| 9 | Operate temperature ℃ | -40~+70 | -40~+70 | |
| 10 | Storage temperature of (℃) | -45~+80 | -45~+80 | |
| 11 | Dynamic range (°) / s | ±300 | ±300 | |
| 12 | Supply voltage (V) | ±5 | ±5 | |
| 13 | Steady-state power consumption (full temperature) (W) | <3 | <3 | |
| 14 | weight (g) | <550 | <550 |
DISCLAIMER: Specifications are subject to change without notice. kaituo reserves the right to make changes to any product or technology herein to improve reliability, function or design.