The 7110A is a very low mass piezoresistive accelerometer weighing only 2 gram. This accelerometer is designed for crash testing, flutter testing, rough road testing and similar applications that require minimal mass loading and a broad frequency response.
Features
• Water proof
• DC response
• 50 to 2000 g full scale
• Shock, low & high frequency
• 6K g shock survivability
• Light weight
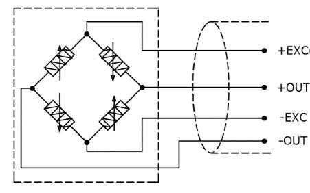
Full bridge piezo-resistive accelerometer
MAIN SPECIFICATIONS:
1.Range(±g):100,500,2000
2.Sensitivity(mV/g):0.9,0.4,0.15
3.Frequency Response(Hz,±5%):0-3000
4.shock limit(±g):5000
5.Operating Temp(℃):-20-85
6.Weight(g):2.1
7.Dimensions(mm):15×9×8 (exclude cable)
8.Case material: Anodized Aluminum
9.Output connector:Integral cable
