Гибкий кварцевый акселерометр серии KT-JB 6 представляет собой небольшой, устойчивый к высоким температурам акселерометр сейсмического типа. Продукт обладает превосходной повторяемостью, пусковыми характеристиками, стойкостью к высоким температурам и высокими характеристиками надежности, которые могут использоваться как для статических испытаний, так и для динамических испытаний, а также является стандартным датчиком вибрации.
Продукт использует уникальную миниатюризацию, устойчивую к высоким температурам сейсмическую конструкцию, передовой процесс упаковки и специальную схему, выходной ток продукта пропорционален входному ускорению, пользователь может выбрать соответствующее сопротивление выборки с помощью расчета, чтобы достичь высокоточного выходного сигнала. И в соответствии с требованиями пользователя встроенного температурного датчика, может использоваться для компенсации частичного значения и масштабного коэффициента, чтобы уменьшить влияние температуры окружающей среды. С момента запуска этого продукта в 2012 году количество поставок достигло тысяч. После многих лет применения он стал зрелым продуктом. Продукт широко используется при измерении бурения нефтяных скважин.
Особенности:
1. Отличная повторяемость включения
2. Устойчивость к воздействию окружающей среды
3. Аналоговый выход
4. Диапазон регулировки в полевых условиях
5. Меньший размер корпуса (≤25 грамм)
6. Широкий диапазон рабочих температур (-55~180ºC)
Гибкий кварцевый акселерометр серии KT-JB 6 представляет собой небольшой, устойчивый к высоким температурам акселерометр сейсмического типа. Продукт обладает превосходной повторяемостью, пусковыми характеристиками, стойкостью к высоким температурам и высокими характеристиками надежности, которые могут использоваться как для статических испытаний, так и для динамических испытаний, а также является стандартным датчиком вибрации.
Продукт использует уникальную миниатюризацию, устойчивую к высоким температурам сейсмическую конструкцию, передовой процесс упаковки и специальную схему, выходной ток продукта пропорционален входному ускорению, пользователь может выбрать соответствующее сопротивление выборки с помощью расчета, чтобы достичь высокоточного выходного сигнала. И в соответствии с требованиями пользователя встроенного температурного датчика, может использоваться для компенсации частичного значения и масштабного коэффициента, чтобы уменьшить влияние температуры окружающей среды. С момента запуска этого продукта в 2012 году количество поставок достигло тысяч. После многих лет применения он стал зрелым продуктом. Продукт широко используется при измерении бурения нефтяных скважин.
Особенности:
1. Отличная повторяемость включения
2. Устойчивость к воздействию окружающей среды
3. Аналоговый выход
4. Диапазон регулировки в полевых условиях
5. Меньший размер корпуса (≤25 грамм)
6. Широкий диапазон рабочих температур (-55~180ºC)

Внешний чертеж типа JB6-A (круглый)

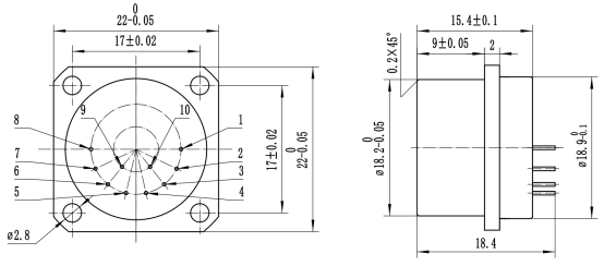
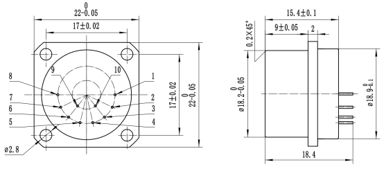
Внешний чертеж типа JB6-B (квадратный)
Эксплуатационные характеристики
Серийный номер | Параметры | JB6-01 | ЖБ6-02 |
1 | Диапазон | ±30г | ±30г |
2 | Порог/Разрешение | 30 мкг | 30 мкг |
3 | Смещение k0/k1 | ≤(±20 мг) | ≤(±20 мг) |
4 | Масштабный коэффициент kl | 1,9~2,1мА/г | 1,9~2,1мА/г |
5 | Коэффициент нелинейности II класса k2/k1 | ≤±20 мкг/г2 | ≤±50 мкг/г2 |
6 | Дрейф смещения Sigma k0( 1σ, один месяц) | ≤150 мкг | ≤220 мкг |
7 | Стабильность масштабного коэффициента Sigma kl/kl | ≤150 частей на миллион | ≤220 частей на миллион |
8 | Нелинейность II класса Коэффициент стабильности k2/k1(1σ,один месяц) | ≤±40 мкг/г2 | ≤±50 мкг/г2 |
9 | Коэффициент термического смещения | ≤±80 мкг/℃ | ≤±150 мкг/℃ |
10 | Коэффициент масштабирования тепловой коэффициент | ≤±100 частей на миллион/℃ | ≤±200 частей на миллион/℃ |
11 | Шум (сопротивление образца 840 Ом) | ≤8мв | ≤8,4мВ |
12 | Собственная частота | 350~800 Гц | 350~800 Гц |
13 | Пропускная способность | 800~2500 Гц | 800~2500 Гц |
14 | Вибрация | 25g(20-2000Гц) | 25g(20-2000Гц) |
15 | Шок | 1000 г, 0,5 мс, 1/2 sin | 1000 г, 0,5 мс, 1/2 sin |
16 | Диапазон температур (рабочий) | -40℃+150℃ | -40+180℃ |
17 | Диапазон температур(сохранен) | -60-+180℃ | -60-+200℃ |
18 | Власть | ±12~±15В | ±12~±15В |
19 | Потребляйте ток | ±20мА | ±20мА |
20 | Размер | Ф18.2X16мм | Ф18.2X16мм |
21 | Масса | 25г | 25г |
ОТКАЗ ОТ ОТВЕТСТВЕННОСТИ: Технические характеристики могут быть изменены без предварительного уведомления. kaituo оставляет за собой право вносить изменения в любой продукт или технологию, представленные здесь, для улучшения надежности, функциональности или дизайна.
Внешний чертеж типа JB6-A (круглый)

Внешний чертеж типа JB6-B (квадратный)
Эксплуатационные характеристики
Серийный номер | Параметры | JB6-01 | ЖБ6-02 |
1 | Диапазон | ±30г | ±30г |
2 | Порог/Разрешение | 30 мкг | 30 мкг |
3 | Смещение k0/k1 | ≤(±20 мг) | ≤(±20 мг) |
4 | Масштабный коэффициент kl | 1,9~2,1мА/г | 1,9~2,1мА/г |
5 | Коэффициент нелинейности II класса k2/k1 | ≤±20 мкг/г2 | ≤±50 мкг/г2 |
6 | Дрейф смещения Sigma k0( 1σ, один месяц) | ≤150 мкг | ≤220 мкг |
7 | Стабильность масштабного коэффициента Sigma kl/kl | ≤150 частей на миллион | ≤220 частей на миллион |
8 | Нелинейность II класса Коэффициент стабильности k2/k1(1σ,один месяц) | ≤±40 мкг/г2 | ≤±50 мкг/г2 |
9 | Коэффициент термического смещения | ≤±80 мкг/℃ | ≤±150 мкг/℃ |
10 | Коэффициент масштабирования тепловой коэффициент | ≤±100 частей на миллион/℃ | ≤±200 частей на миллион/℃ |
11 | Шум (сопротивление образца 840 Ом) | ≤8мв | ≤8,4мВ |
12 | Собственная частота | 350~800 Гц | 350~800 Гц |
13 | Пропускная способность | 800~2500 Гц | 800~2500 Гц |
14 | Вибрация | 25g(20-2000Гц) | 25g(20-2000Гц) |
15 | Шок | 1000 г, 0,5 мс, 1/2 sin | 1000 г, 0,5 мс, 1/2 sin |
16 | Диапазон температур (рабочий) | -40℃+150℃ | -40+180℃ |
17 | Диапазон температур(сохранен) | -60-+180℃ | -60-+200℃ |
18 | Власть | ±12~±15В | ±12~±15В |
19 | Потребляйте ток | ±20мА | ±20мА |
20 | Размер | Ф18.2X16мм | Ф18.2X16мм |
21 | Масса | 25г | 25г |
ОТКАЗ ОТ ОТВЕТСТВЕННОСТИ: Технические характеристики могут быть изменены без предварительного уведомления. kaituo оставляет за собой право вносить изменения в любой продукт или технологию, представленные здесь, для улучшения надежности, функциональности или дизайна.