Acelerômetro biaxial de baixa frequência
Transdutor industrial Modelo 2211A
Características
• Design robusto
• Alta sensibilidade
• Vedação hermética
• Caixa isolada
• Proteção ESD •
Proteção de fiação reversa
• Blindagem EMI / RFI
Aplicação
• Monitoramento de baixa frequência
Principais características :
1. Faixa (± g): 5,10,50
2. Sensibilidade (mV/g): 1000,500,100
3. Resposta de frequência (Hz, ± 3 dB): 0,1-5000
4. Limite de choque (± g): 2000
5. Temperatura operacional (℃): -55-125
6. Peso (gramas): 235
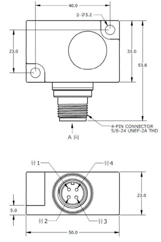
7. Dimensões (mm): 55 × 50 × 25
8. Material da caixa: aço inoxidável
9. Conector de saída: conector M12 de 5 pinos
