Acelerômetro de tamanho compacto
Transdutor industrial modelo 2107A
Características
• Peso leve
• Tamanho compacto
• Selo hermético
• Caso isolado
• Proteção ESD
• Proteção de fiação reversa
Aplicativo
•Máquina, turbina eólica
Principais características :
1. Alcance(±g ):5,10,20,80,500
2. Sensibilidade (mV/g): 1000,500,250,100,10
3. Resposta de frequência (Hz, ± 3 dB): 0,5-10000
4. limite de choque (± g): 5000
5.Temperatura de operação(℃):-55-125
6. Peso (gramas): 55
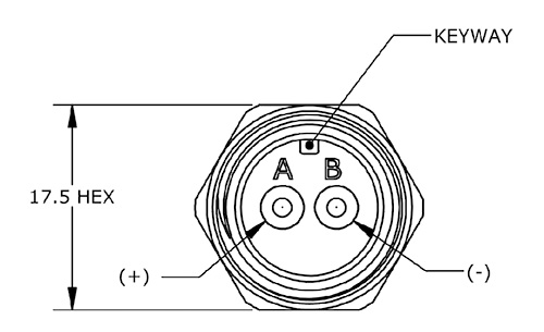
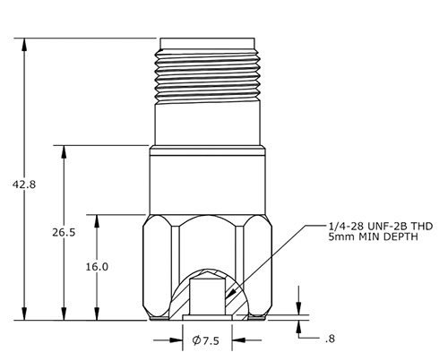
7. Dimensões (mm): 18×18×43
8. Material da caixa: Aço inoxidável
9. Conector de saída: 2 pinos MIL-C-5015

