Características
· Alcance de ±10 kg a ±100 kg
· Ambientalmente selado
· Saída mV
· Carcaça de titânio
· Hermeticamente selado
· Montado por parafuso
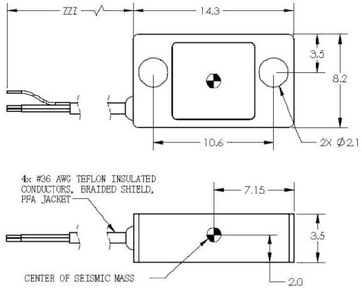
Acelerômetro de teste de choque e impacto
ESPECIFICAÇÕES PRINCIPAIS:
1. Alcance (± g): 20k, 100k
2. Sensibilidade (uV/g): 5, 1,5
3. Resposta de frequência (Hz, ±1dB): 0-100.000
4. Limite de choque (± g): 100.000
5. Temperatura de operação (℃): -50 到 120
6. Peso (g): 2
7. Dimensões (mm): φ2,1×2
8. Material da caixa: Titânio
9. Conector de saída: Cabo integral
