KT-JB3 series quartz flexible accelerometer is a miniaturized, high-precision inertial navigation class accelerometer for a large number of military applications. The product has excellent long-term stability, repeatability, start-up performance, environmental adaptability and high reliability, which can be used for static and dynamic testing. It is also a standard vibration sensor and inclination sensor.
The product adopts a unique miniaturized design and packaging process, the output current and the force or acceleration is linear relationship, users can calculate and select the appropriate sampling resistance, to achieve high precision output. And according to user needs built-in temperature sensor, used to offset value and scale factor compensation, reduce the impact of environmental temperature.
Applications: inertial measurement of military inertial navigation system in aerospace, aviation, ships, weapons and other fields and precision instrument equipment vibration isolation test and inclination test.
Features
1. Excellent turn-on repeatability performance
2. Environmentally rugged
3. Analog output
4. Field adjustable range
5. Smaller outline size(£30gram)
Configuration Drawing and interface

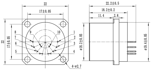
Outline 1 for square

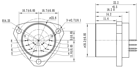
Outline 2 for triangle

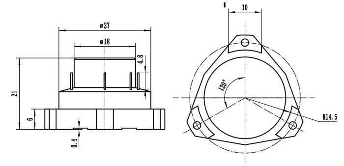
Outline3 for inverted triangle
Performance characteristics
| S/No | Parameters | JB3-01 | JB3-02 | JB3-03 |
| 1 | Range | ±60g | ±60g | ±70g、 ±100g |
| 2 | Threshold /Resolution | 5μg | 5μg | 5μg |
| 3 | Bias k0/k1 | ≤(±5 mg) | ≤(±5 mg) | ≤(±5 mg) |
| 4 | Scale factor kl | 1.0±0.2 mA/g | 1.0±0.2 mA/g | 0.6±0.2mA/g |
| 5 | Class II nonlinearity coefficient k2/k1 | ≤±20μg /g2 | ≤±30μg /g2 | ≤±20μg /g2 |
| 6 | 0g 4 hours short time stability | ≤10 μg | ≤20 μg | ≤20 μg |
| 7 | 1g 4 hours short time stability | ≤10 ppm | ≤20 ppm | ≤20 ppm |
| 8 | Bias drift Sigma k0( 1σ,one month) | ≤15 μg | ≤50 μg | ≤50 μg |
| 9 | Repeatability of scale factor Sigma kl/kl( 1σ,one month) | ≤15ppm | ≤50 ppm | ≤50ppm |
| 10 | Class II non-linearity Coefficient repeatability k2/k1(1σ,one month) | ≤±20 μg /g2 | ≤±30 μg /g2 | ≤±30 μg /g2 |
| 11 | Bias thermal coefficient | ≤±15 μg /℃ | ≤±50 μg /℃ | ≤±50 μg /℃ |
| 12 | Scale factor thermal coefficient | ≤±15 ppm /℃ | ≤±80 ppm /℃ | ≤±50 ppm /℃ |
| 13 | Noise (sample resistance 840Ω) | ≤5mv | ≤8.4mv | ≤8.4mv |
| 14 | Natural Frequency | 350~800 Hz | 350~800 Hz | 350~800 Hz |
| 15 | Bandwidth | 800~2500 Hz | 800~2500 Hz | 800~2500 Hz |
| 16 | Vibration | 10g(20-2000Hz) | 10g(20-2000Hz) | 10g(20-2000Hz) |
| 17 | Shock | 150g,4.5ms, 1/2sin | 150g,4.5ms, 1/2sin | 150g,0.5ms, 1/2sin |
| 18 | Temperature range(Operating) | -55-+85℃ | -55-+85℃ | -55-+85℃ |
| 19 | Temperature range(saved) | -60-+120℃ | -60-+120℃ | -60-+120℃ |
| 20 | Power | ±12~±15V | ±12~±15V | ±12~±15V |
| 21 | Consume current | £±20mA | £±20mA | £±20mA |
| 22 | Temperature sensor | Option | Option | Option |
| 23 | Size | Ф18.2X23mm | Ф18.2X23mm | Ф18.2X23mm |
| 24 | Weight | £30gram | £30gram | £30gram |
DISCLAIMER: Specifications are subject to change without notice. kaituo reserves the right to make changes to any product or technology herein to improve reliability, function or design.