KTJB2 series quartz flexible accelerometer is a high-precision inertial navigation level accelerometer for a large number of military applications (up to 100g). The product has excellent long-term stability, repeatability, start-up performance, environmental adaptability and high reliability, which can be used for static test or dynamic test. It is also a standard vibration sensor and inclination sensor.
The output current of the product has a linear relationship with the force or acceleration received. Users can select the appropriate sampling resistance through calculation to achieve high precision output. And according to user needs built-in temperature sensor, used to offset value and scale factor compensation, reduce the impact of environmental temperature.
Applications: inertial measurement of military high-precision inertial navigation system in aerospace, aviation, ships, weapons and other fields and precision instrument equipment vibration isolation test and inclination test.
Features
1. Excellent turn-on repeatability performance
2. Environmentally rugged
3. Analog output
4. Field adjustable range
5. Internal temperature sensor for thermal compensation(option)
6. High range(100g)
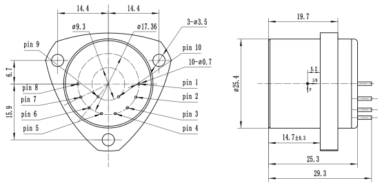
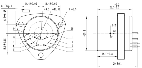
Configuration Drawing and interface 

Mark: The temperature sensor is AD590; Point 10 is the high power. The point 9 is the low power. The point 9 and power ground use one platinum resistance; the value is 1K, the thermal coefficient is less than 5ppm.
Performance characteristics
| S/No | Parameters | KTJB2-01 | KTJB2-02 | KTJB2-03 |
| 1 | Range | ±70g、±100g | ±70g、±100g | ±70g、±100g |
| 2 | Threshold /Resolution | 5μg | 5μg | 5μg |
| 3 | Bias k0/k1 | ≤±3 mg | ≤±3 mg | ≤±5 mg |
| 4 | Scale factor kl | 0.8~1.2 mA/g | 0.8~1.2 mA/g | 0.8~1.2 mA/g |
| 5 | Class II nonlinearity Coefficient k2/k1 | ≤±10μg /g2 | ≤±15μg /g2 | ≤±20μg /g2 |
| 6 | 0g 4 hours short time stability | ≤10 μg | ≤10μg | ≤10 μg |
| 7 | 1g 4 hours short time stability | ≤10 ppm | ≤10 ppm | ≤10 ppm |
| 8 | Bias drift Sigma k0( 1σ,one month) | ≤10 μg | ≤15 μg | ≤25 μg |
| 9 | repeatability of scale factor Sigma kl/kl( 1σ,one month) | ≤15ppm | ≤20 ppm | ≤30 ppm |
| 10 | Class II nonlinearity Coefficient repeatability k2/k1(1σ,one month) | ≤±10 μg /g2 | ≤±10 μg /g2 | ≤±10 μg /g2 |
| 11 | Bias thermal coefficient | ≤±10 μg /℃ | ≤±20 μg /℃ | ≤±30 μg /℃ |
| 12 | Scale factor thermal coefficient | ≤±20 ppm /℃ | ≤±30 ppm /℃ | ≤±50 ppm /℃ |
| 13 | Noise (sample resistance 840Ω) | ≤5mv | ≤5mv | ≤5mv |
| 14 | Natural Frequency | 400~800 Hz | 400~800 Hz | 400~800 Hz |
| 15 | Bandwidth | 800~2500 Hz | 800~2500 Hz | 800~2500 Hz |
| 16 | Vibration | 6g(20-2000Hz) | 6g(20-2000Hz) | 6g(20-2000Hz) |
| 17 | Shock | 100g,8ms,1/2sin | 100g,8ms,1/2sin | 100g,8ms,1/2sin |
| 18 | Temperature range(Operating) | -55~+85℃ | -55~+85℃ | -55~+85℃ |
| 19 | Temperature range(saved) | -60~+120℃ | -60~+120℃ | 60~+120℃ |
| 20 | Power | ±12~±15V | ±12~±15V | ±12~±15V |
| 21 | Consume current | ≤±20mA | ≤±20mA | ≤±20mA |
| 22 | Temp. sensor | Option | Option | Option |
| 23 | Size | Ф25.4X30mm | Ф25.4X30mm | Ф25.4X30mm |
| 24 | Weight | ≤80g | ≤80g | ≤80g |
DISCLAIMER: Specifications are subject to change without notice. kaituo reserves the right to make changes to any product or technology herein to improve reliability, function or design.