*Meets the GJB2889 standard
*exchange with XC series
*lighter than XC series
*The end joint form is Compaction
*apply to thin electrical cable
*A buckle fast connection
*It is widely used in environment
Main technical performance:
1.【Physical characteristics】
1)Ordinary NON-Sealed and sealed through the wall type
——Shell:High strength aluminum alloy
——Shell Coating:
Shield Coating:Army Green passivation,Chemical nickel plating
Non-Shield Coating:Black positive polarization
——Insulator:Thermoplastic materials
——Seal circle:silicon rubber
——contactor:Copper alloy gold plating
——Useful life:Plug 1000 times
2)glass sintered square plate sealed socket
——Shell:carbon steel
——Shell Coating:Electroplating nickel plating
——Insulator:glass
——contactor: Ferroalloy gold plating or nickel plating
——Useful life:Plug 1000 times
2.【Electrical characteristics】
——Contact resistance and rated current
| Specifications mm | NON-sealed Contact resistance | Through wall sealed Contact resistance | square plate sealed Contact resistance | rated current A |
| φ1.0 | ≤5mΩ | ≤10mΩ | ≤15mΩ | 5 |
| φ1.5 | ≤2.5mΩ | ≤5mΩ | ≤7.5mΩ | 10 |
| Φ2.0 | ≤1.25mΩ | ≤2.5mΩ | ≤3,.75mΩ | 20 |
| Φ3.0 | ≤0.75mΩ | ≤1.5mΩ | ≤2.25mΩ | 40 |
——Rated voltage and voltage resistance
| Operating environment | Sealed electrical connector | NON-sealed electrical connector | ||
| Rated voltage | voltage resistance | Rated voltage | voltage resistance | |
| room temperature | 500V | 1500V | 500V | 1500V |
| Wet and hot environment | 500V | 750V | 500V | 1125V |
| Low pressure | 150V | 300V | 250V | 300V |
——Isolation resistance:MΩ
| Application Level | standard | High temp | Wet and hot |
| Isolation resistance | ≥5000 | ≥1000 | ≥100 |
3.【Environmental characteristics】
——Operating temperature:-55~200℃
——relative humidity:: 95%,40±2℃
——height:30000m
——Sinusoidal vibration: 10-2000Hz, 20g
——constant acceleration: 100g
——shock acceleration: 100g
4.【other characteristics】
Anti-humidity,salt mist-proof,mildew-proof,rain-proof,dust-proof
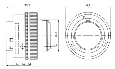
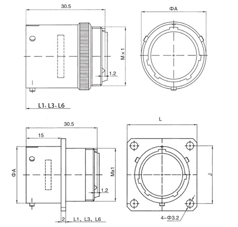
Plug
socket