Features:
*The end joint form is welding
*A buckle fast connection
*It is widely used in environment
*small size
*Light weight
Main technical performance:
1.【Physical characteristics】
——Shell:High strength aluminum alloy
——Shell Coating:Chemical nickel plating
——Insulator:Thermoplastic materials
——Seal circle:silicon rubber
——contactor:Copper alloy gold plating
——Useful life:Plug 500 times
2.【Environmental characteristics】
——Operating temperature:-55~200℃
——relative humidity:: 90%~95%,40±2℃
——Operating pressure:101.33KPa~6.67Kpa
——Sinusoidal vibration: 10-2000Hz, 20g
——shock acceleration: 100g
——crash acceleration: 40g
——salt mist: 96 hours
3.【Electrical characteristics】
——Operating current:5A
——Contact resistance:≤5MΩ
——Isolation resistance
| standard atmospheric pressure | humid environment | High temp |
| ≥3000MΩ | ≥100MΩ | ≥1000MΩ |
——voltage resistance
| standard atmospheric pressure | Low pressure |
| AC1000Vrms | AC150Vrms |

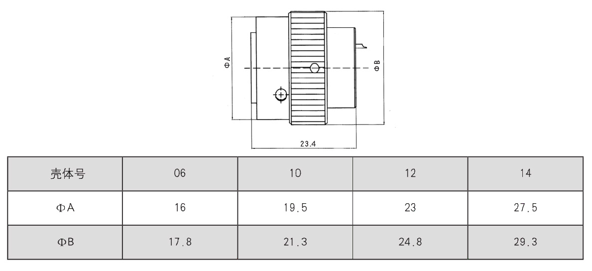
PLUG
socket


