Гироскоп серии KTFG-70
Этот продукт представляет собой инерциальный датчик угловой скорости, основанный на оптическом эффекте Саньяка для измерения угловой скорости вращения носителя вдоль чувствительной оси. Цифровая схема обнаружения с обратной связью используется для извлечения оптической разности хода света по часовой стрелке, вызванной внешней физической угловой скоростью, а сигнал напряжения оптического пути сигнала модулируется и демодулируется, а обратная связь и управление с обратной связью реализуются для достижения цели обнаружения сигнала угловой скорости в реальном времени.
Функция: Этот продукт состоит из двух частей: оптического чувствительного блока угловой скорости и обнаружения сигнала, предоставляющего информацию об одноосном приращении угла и информацию о внутренней температуре.
Область применения: Продукция в основном подходит для фотоэлектрического крана / крана / летающей платформы / инерциальной навигации / инерциальной измерительной системы / оптического / фотографического прибора / устройства стабилизации платформы / инерциального измерительного прибора и других приложений.
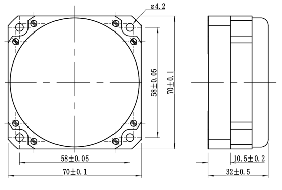
Размер установки
Основные рабочие параметры
| Серийный номер | тестовый элемент | ЧАС | М | Л |
| 1 | Размеры (мм) | 70×70×32 | 70×70×32 | 70×70×32 |
| 2 | время начала (с) | 5 | 5 | 5 |
| 3 | Дрейф смещения (°) / ч (10 с плавный, фиксированная температура) | ≤0,03 ≤0,01 (100гладкий) | ≤0,05 | ≤0,3 |
| 4 | Дрейф смещения (°) / ч (10 с плавный) -45~ + 70 | ≤0,1 | ≤0,15 | ≤0,5 |
| 5 | Повторяемость смещения (°)/ч | ≤0,03 | ≤0,05 | ≤0,3 |
| 6 | Коэффициент случайного блуждания ( o ) /h 1/2 | ≤0,005 | ≤0,01 | ≤0,02 |
| 7 | Нелинейность масштабного коэффициента (ppm) | ≤10 | ≤20 | ≤50 |
| 8 | Повторяемость масштабного коэффициента (ppm) | ≤10 | ≤20 | ≤50 |
| 9 | Рабочая температура ℃ | -40~+70 | -40~+70 | -40~+70 |
| 10 | Температура хранения (℃) | -45~+80 | -45~+80 | -45~+80 |
| 11 | Динамический диапазон (°)/с | ±500 | ±500 | ±500 |
| 12 | Напряжение питания (В) | ±5 | ±5 | ±5 |
| 13 | Потребляемая мощность в устойчивом состоянии (полная температура) (Вт) | <4 | <4 | <4 |
| 14 | вес (г) | <290 | <290 | <290 |
ОТКАЗ ОТ ОТВЕТСТВЕННОСТИ: Технические характеристики могут быть изменены без предварительного уведомления. kaituo оставляет за собой право вносить изменения в любой продукт или технологию, представленные здесь, для улучшения надежности, функциональности или дизайна.