Двухосный низкочастотный акселерометр , молниезащита
Промышленный преобразователь Модель 2212A
Характеристики
• Низкочастотная характеристика
• Двухосный выход
• Высокая чувствительность
• Герметичное уплотнение
• Молниезащита
• Защита от электростатического разряда • Экранирование от
электромагнитных и радиочастотных помех
Применение
• Низкая частота, качание башни
Основные характеристики :
1. Диапазон (±g): 5,10,50
2. Чувствительность (мВ/g): 1000,500,100
3. Частотная характеристика (Гц, ±3 дБ): 0,1-5000
4. Предел ударопрочности (±g): 2000
5. Рабочая температура (℃): -55-125
6. Вес (грамм): 250
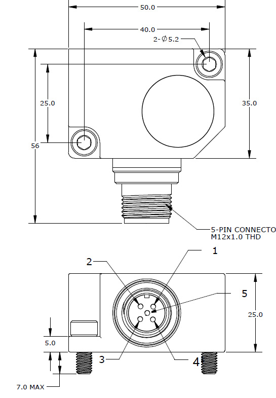
7. Размеры (мм): 55×50×25
8. Материал корпуса: Нержавеющая сталь
9. Выходной разъем: 5-контактный разъем M12
