Компактный акселерометр
Промышленный датчик Модель 2107A
Характеристики
• Легкий вес
• Компактный размер
• Герметичное уплотнение
• Корпус изолирован
• Защита от электростатического разряда
• Защита от обратной полярности
Применение
• Машины, ветряные турбины
Основные характеристики :
1. Диапазон (±g) ) 5, 10, 20, 80, 500
2. Чувствительность (мВ/g) : 1000, 500, 250,
100, 10 3. Частотная характеристика (Гц, ±3 дБ) : 0,5-10000
4. Предел удара (±g) ) 5000
5. Рабочая температура (℃) ) -55-125
6. Вес (грамм) : 55
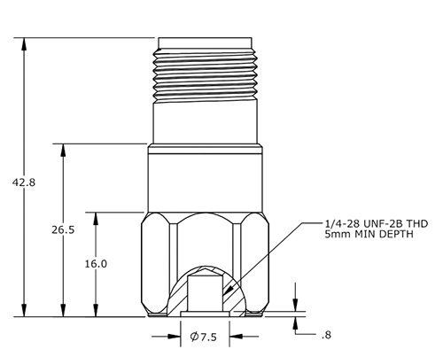
7. Размеры (мм): 18×18×43
8. Материал корпуса: Нержавеющая сталь
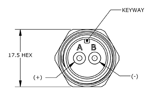
9. Выходной разъем: 2-контактный MIL-C-5015

