Компактный акселерометр
Промышленный преобразователь Модель 2107A
Функции
• Легкий вес
• Компактный размер
• Герметичное уплотнение
• Случай изолированный
• Защита от электростатического разряда
• Защита от обратной полярности
Приложение
•Машина, ветряная турбина
Основные характеристики :
1. Диапазон (±g): 5,10,20,80,500
2.Чувствительность (мВ/г): 1000,500,250,100,10
3. Частотная характеристика (Гц, ±3 дБ): 0,5-10000
4. Предел удара (±g): 5000
5. Рабочая температура (℃): -55-125
6. Вес (грамм): 55
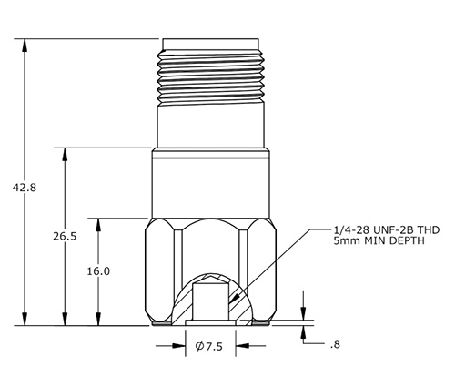
7.Размеры (мм): 18×18×43
8.Материал корпуса: нержавеющая сталь
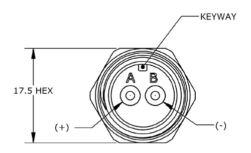
9. Выходной разъем: 2-контактный MIL-C-5015

