O acelerômetro flexível de quartzo da série KT-JB 4 é um acelerômetro de alta temperatura e antivibração, o produto tem excelente repetibilidade, desempenho inicial, características de alta temperatura e alta confiabilidade, pode ser usado para testes estáticos e testes dinâmicos, também é um sensor de vibração padrão.
Os produtos adotam design exclusivo de alta temperatura, processo de embalagem e circuito especial, a corrente de saída do produto é proporcional à aceleração medida, o usuário pode calcular a resistência de amostragem apropriada, obter saída de alta precisão e, de acordo com a demanda do usuário, sensor de temperatura integrado, usado para compensação de valor parcial e fator de escala, reduz a influência da temperatura ambiente. Os produtos da série QA 650, T185, T160 e JAE podem ser substituídos in situ, mas adotamos estrutura de torque duplo, é diferente de outros produtos da empresa. Podemos tornar o valor de polarização do acelerômetro e o fator de escala mais estáveis, é lançado desde 2010, este produto entregou milhares de produtos. Após anos de aplicação, tornou-se um produto maduro, especialmente com um grande número de aplicações na medição de perfuração de petróleo.
Campos de aplicação: teste de inclinação de ponte, barragem, poço de petróleo, mina de carvão, etc., controle ferroviário de alta velocidade, controle de estabilidade de navios, etc.

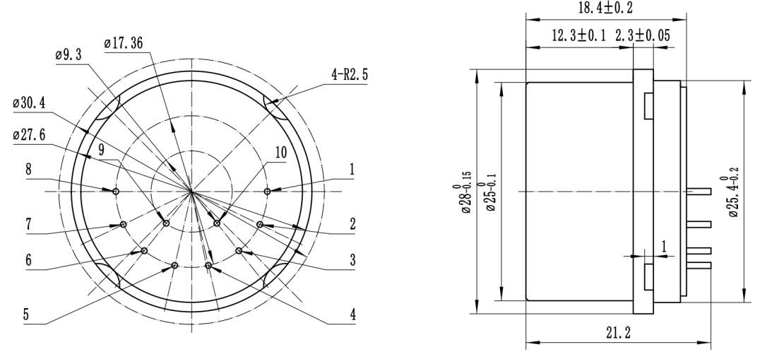
Desenho externo JB4-01

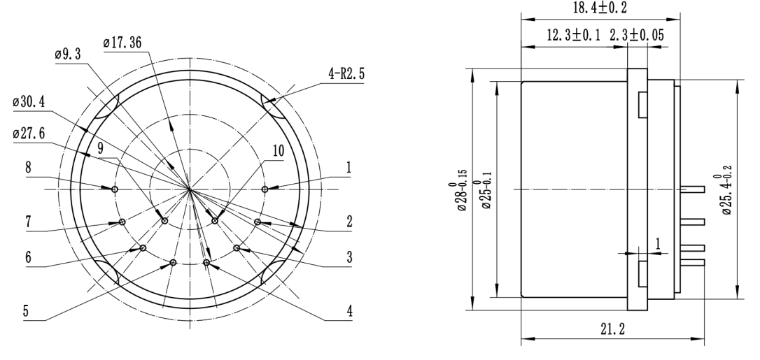
Desenho externo JB4-02 A e JB4-03 A

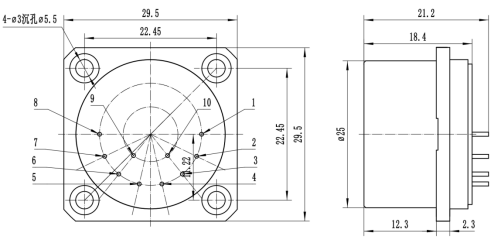
JB4-02 B e JB4-03 B desenho externo

(Tipo B 1)

(Tipo B 2)
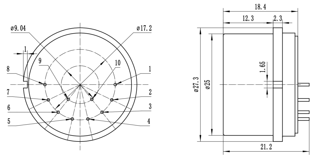
Desenho externo JB4-02 C e JB4-03 C

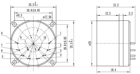
Desenho externo JB4-02 D e JB4-03 D

Características de desempenho
| S/Não | Parâmetros | JB4-01 | JB4-02 | JB4-03 |
| 1 | Faixa de entrada (g) | ±30g | ±30g | ±30g |
| 2 | Viés (mg) | <10mg | <15mg | <15mg |
| 3 | Repetibilidade composta de um mês (µg) | <50µg | <200µg | <200µg |
| 4 | Sensibilidade à temperatura (µg/℃) | <50µg/℃ | <100µg/℃ | <100µg/℃ |
| 5 | Fator de escala (mA/g) | 1,1 a 1,3 mA/g | 1,1 a 1,3 mA/g | 1,1 ~ 1,3 mA/g |
| 6 | Composto de um mês, repetibilidade (ppm) | <80 ppm | <150 ppm | <150 ppm |
| 7 | Sensibilidade à temperatura (ppm) | <100 ppm | <200 ppm | <200 ppm |
| 8 | Desalinhamento do eixo (µrad) | <1500µrad | <1500µrad | <1500µrad |
| 9 | Retificação de vibração (µg/g2rms) | <30µg/g 2rms (50-500Hz) | <100µg/g 2rms (50-500Hz) | <100µg/g 2rms (50-500Hz) |
| 10 | Ruído intrínseco (µg-rms) | <3000µg-rms (0-10000Hz) | <3000µg-rms (0-10000Hz) | <3000µg-rms (0-10000Hz) |
| 11 | Faixa de temperatura operacional (℃) | -55~96℃ | -55~155℃ | -55~180℃ |
| 12 | Choque (g) | 500 g 0,5 ms | 1000 g 0,5 ms | 1000 g 0,5 ms |
| 13 | Pico de vibração seno (g) | 25 g a 30-500 Hz | 25 g a 30-500 Hz | 25 g a 30-500 Hz |
| 14 | Resolução/limiar (µg) | <10µg | <10µg | <10µg |
| 15 | Largura de banda (Hz) | >300 Hz | >300 Hz | >300 Hz |
| 16 | Corrente quiescente por alimentação (mA) | <20 mA | <20 mA | <20 mA |
| 17 | Potência quiescente (mW) @ ±15VDC | <480 mW | <480 mW | <480 mW |
| 18 | Tensão de entrada | ±13 a ±18V | ±13 a ±18V | ±13 a ±18V |
| 19 | Peso (gramas) | <55g | <55g | <55g |
| 20 | Diâmetro abaixo da superfície de montagem | Ф25mm | Ф25mm | Ф25mm |
| 21 | Altura da parte inferior até a superfície de montagem (polegadas) | <21,5 mm | <21,5 mm | <21,5 mm |
| 22 | Material da caixa | Aço inoxidável série 300 | Aço inoxidável série 300 | Aço inoxidável série 300 |
| 23 | Sensor de temperatura (AD590LF) | Opção | Opção | Opção |
AVISO LEGAL: As especificações estão sujeitas a alterações sem aviso prévio. A kaituo reserva-se o direito de fazer alterações em qualquer produto ou tecnologia aqui contida para melhorar a confiabilidade, a função ou o design.