Características :
* Padrão métrico, atende ao GJB101A -97
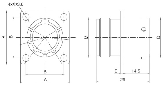
* Uma conexão rápida de fivela, tamanho pequeno, peso leve
* O soquete é equipado com tipo de flange, tipo de cabo, tipo através da parede, porca e tipo apertado e muitas outras formas.
* O soquete é selado com encapsulamento de smidahk
Desempenho técnico principal:
【Características físicas】
Revestimento de blindagem: revestimento de níquel químico
Revestimento sem blindagem: polarização positiva preta
-- Isolador: materiais termoplásticos
-- Vibração sinusoidal: 20g, 10-2000Hz
-- aceleração de choque: 100g
-- Vida útil: plugue 500 vezes
【Características ambientais】
--Umidade relativa: 90% -95%, Temperatura a 40 ± 2℃
--Pressão operacional: 101,33 kPa ~ 4,39 KPa
--Soquete selado: 0,2 Mpa
--À prova de chuva: 5 mm/min
--Névoa salina: GJB101A-97, Item 3, Item 6, Item 13
【Características elétricas】
Especificações de contato
| Diâmetro do pino (mm) | 1 | 1.5 | ||
| Corrente de operação (A) | 5 | 10 | ||
| material | Liga de cobre | ferroliga | Liga de cobre | ferroliga |
| Resistência de contato (mΩ) | ≤5 | ≤15 | ≤3 | ≤10 |
——Resistência ao isolamento
| pressão atmosférica padrão | ambiente úmido | chuva | Alta temperatura |
| ≥3000MΩ | ≥20MΩ | ≥20MΩ | ≥500MΩ |
——resistência à tensão
| pressão atmosférica padrão | Baixa pressão | úmido e quente |
| CA 1500 Vrms | CA 200 Vrms | CA 500 Vrms |

Y11X-XXXXTJ(K)2 plugue

Y11X-XXXXZJ(K)10-2 SOQUETE
