Características :
*A forma da junta final é soldagem
*Uma conexão rápida de fivela
*É amplamente utilizado no meio ambiente
*tamanho pequeno
*Peso leve
Desempenho técnico principal:
1.【Características físicas】
——Casca: Liga de alumínio de alta resistência
——Revestimento da casca: Revestimento químico de níquel
——Isolador: Materiais termoplásticos
——Círculo de vedação: borracha de silicone
——Contator: Revestimento de liga de cobre e ouro
——Vida útil: Plugue 500 vezes
2.【Características ambientais】
——Temperatura de operação: -55 ~ 200 ℃
——Umidade relativa: 90% ~ 95%, 40 ± 2 ℃
——Pressão de operação: 101,33 KPa ~ 6,67 Kpa
——Vibração sinusoidal: 10-2000 Hz, 20g
——aceleração de choque: 100g
——aceleração de colisão: 40g
——névoa de sal: 96 horas
3.【Características elétricas】
——Corrente de operação: 5A
——Resistência de contato: ≤5MΩ
——Resistência de isolamento
| pressão atmosférica padrão | ambiente úmido | Alta temperatura |
| ≥3000MΩ | ≥100MΩ | ≥1000MΩ |
——resistência à tensão
| pressão atmosférica padrão | Baixa pressão |
| CA 1000 Vrms | CA 150 Vrms |

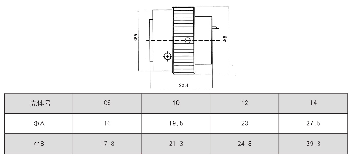
Tomada PLUG


